168幸运澳洲5历史开奖记录
Close
Manager
Sales
Trade1
Trade2
Feedback
Online Service
ALIBABA STORE
|
中文版
|
ENGLISH
HOME
ABOUT US
PRODUCTS
NEWS
FEEDBACK
CONTACT
Products
Rocker Switch
Push Switch
Tact Switch
Illuminated Tact Switch
Press-Key Switch
Slide Switch
Push Button Switch
Micro Switch
Toggle Switch
AV Sole-Core Outlet Series
DC Power Jack Series
6.35 phones Jack Series
AC Power Socket Series
Metal Push Button Switch Series
Switch Cap Series
Waterproof Cap Series
Products
Position:
Home
>>
Products
>
Push Switch
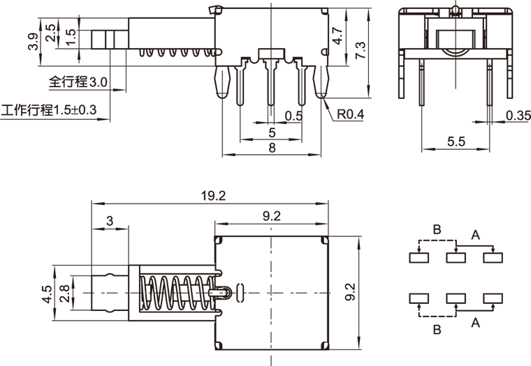
> PS-22E50L PS-22E50N
PS-22E50L PS-22E50N
快32月第四名走势
六合彩1月第三名走势
PK10昨天开奖结果
时时彩本周亚军开奖记录
六合彩最新冠军走势
168幸运澳洲5历史开奖记录