168幸运澳洲5历史开奖记录
关闭
经理
销售部
外贸部1
外贸部2
给我们留言
在线客服
阿里巴巴
|
中文简体
|
ENGLISH
网站首页
HOME
关于我们
ABOUT US
产品中心
PRODUCTS
新闻资讯
NEWS
在线留言
FEEDBACK
168幸运澳洲5历史开奖记录
CONTACT
产品中心
船型开关-Rocker Switch
直键开关-Push Switch
轻触开关-Tact Switch
带灯轻触开关-Illuminated Tact Switch
按键开关-Press-Key Switch
拨动开关-Slide Switch
按钮开关-Push Button Switch
微动开关-Micro Switch
钮子开关-Toggle Switch
AV同芯插座系列
DC电源插座系列
6.35耳机插座系列
AC电源插座系列
金属按钮开关系列-Metal Push Button Switch
键帽系列-Switch Cap
防水帽系列-Waterproof Cap
产品中心
您现在的位置:
首页
>>
产品中心
>
钮子开关-Toggle Switch
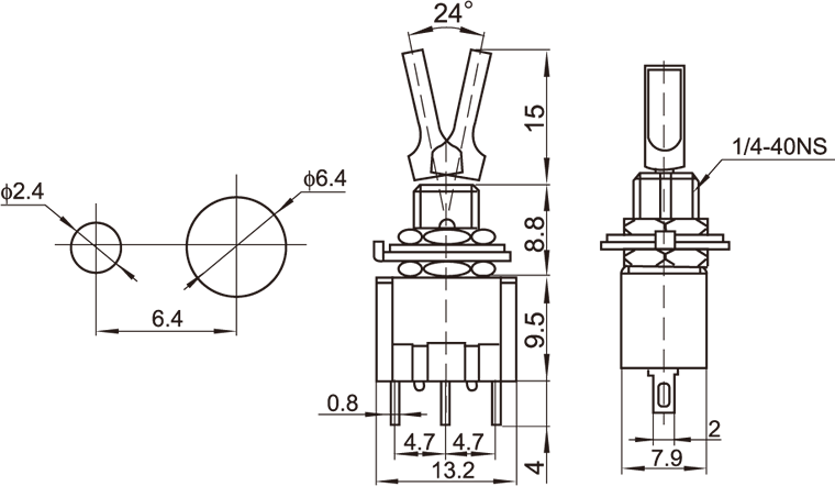
> MTS-102-E1 MTS-103-E1
MTS-102-E1 MTS-103-E1
PK10走势
PK102月第四名开奖记录
快3上月第三名走势
快乐84月亚军走势
六合彩昨天第四名走势
168幸运澳洲5历史开奖记录